液晶顯示器件是被動型顯示器件,它本身不會發光,是靠調制外界光實現顯示的。外界光是液晶顯示器件進行顯示的前提條件。因此,在液晶顯示裝配、使用中,巧妙地解決采光,不僅可以保證和提高液晶顯示的質量,而且一般液晶顯示的采光技術分為自然光采光技術和外光源設置技術。而外光源設置上,又有背光源、前光源和投影光源三類技術。
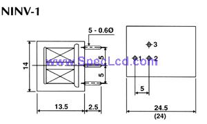
這里,我們就較為常見的背光源作簡單介紹(詳情請參閱《液晶顯示應用技術》一書): 一. 背光源采光技術的兩大任務是: 1.使液晶顯示器件在有無外界光的環境下都能使用; 2.提高背景光亮度,改善顯示效果。 二. 分類: 現對常用的背照明光源,按如下分類說明: LED背光 特 點 EL-場致發光 特 點 采用EL背光的LCM結構示意圖 EL參數的極限范圍 工作頻率 550Hz 輸出電壓 67VRMS 輸入電流 35mA 輸出電流 3.3mA 逆邊器說明(以NIVI-1為例) Pin1:5V直流輸入 Pin2:公共地 Pin3:輸出 逆變器參數范圍 典型電特性(環境溫度25℃,5V輸入,負載30cm2) 最大輸入電壓 6.0VDC 最大負載 45cm2 工作溫度范圍 -10∽+55℃ 儲存溫度 -20∽+70℃ 工作頻率 550Hz 輸出電壓 67VRMS 輸入電流 35mA 輸出電流 3.3mA CCFL-冷陰極熒光燈 特 點 采用CCFL背光的LCM結構示意圖


關注我們
公眾號:china_tp
微信名稱:亞威資訊
顯示行業頂級新媒體
掃一掃即可關注我們